欢迎来到烟台市恒力数控机床附件有限公司官网!

产品详情

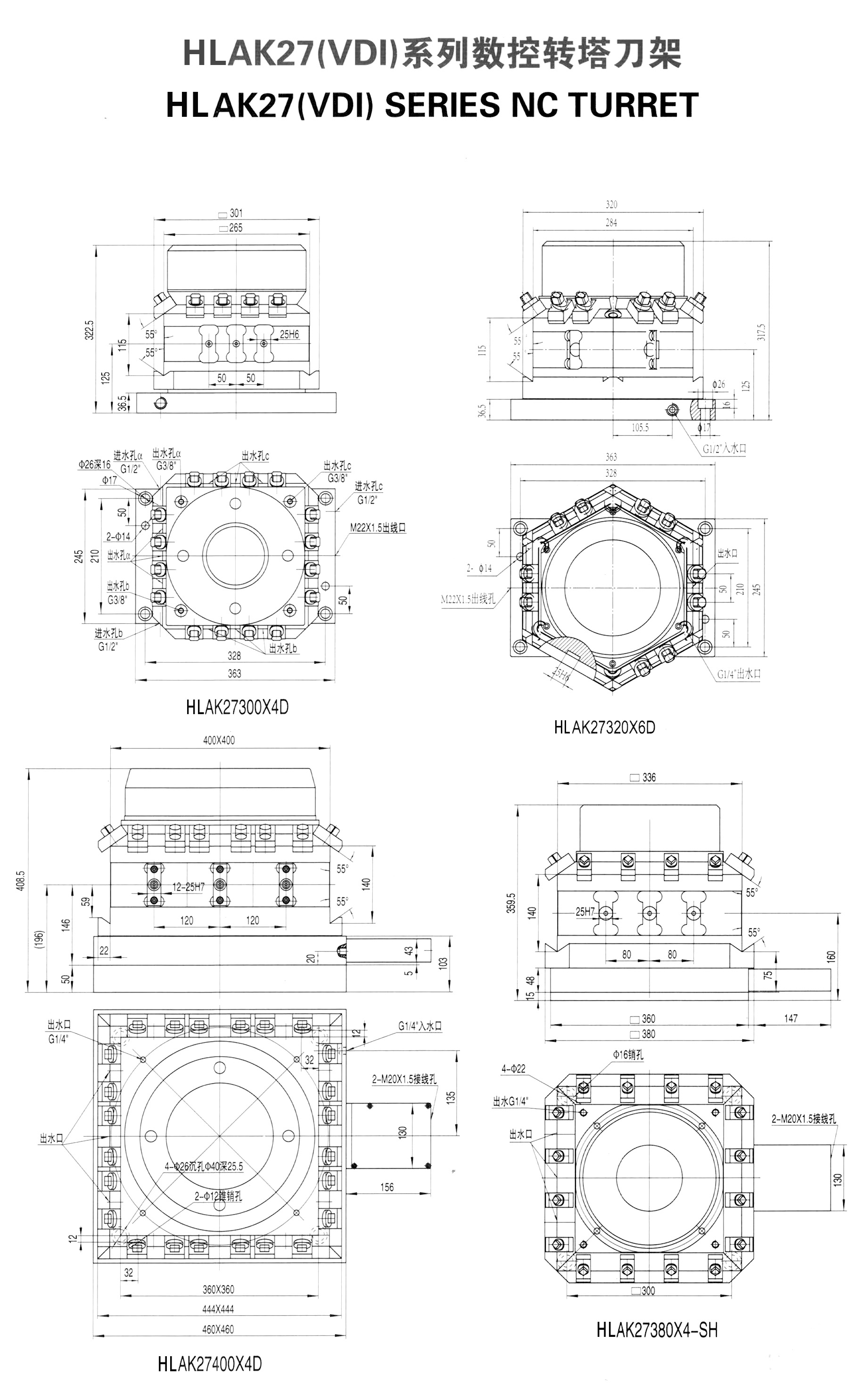
HLAK27(VDI)系列数控转搭刀架

  • 所属分类 :
    数控刀架
  • 浏览次数 : ...
  • 发布时间 : 2026-03-24
  • 详细介绍

●本产品是数控车床的重要功能部件,特别适用于普及型数控立车、大型卧车;可多刀夹持,实现加工程序的自动化、高效化。  

●它采用了国际上流行的电机内藏式结构,端齿盘作为分度元件,分度工位由定位盘、传感器元件控制,可任意工位定位;具有定位精度高、锁紧力大、承载力强、稳定可靠、应用范围广、结构紧凑等特点。  

 

d3b28f1339fb9aed63b896c98e1b3bdac920a12a

6b0a2240c0839821b926db76f474c6ae4dc2f1bb

本文网址 : https://www.ythlsk.com.cn/product/286.html
标签 :

COPYRIGHT © 烟台市恒力数控机床附件有限公司 ALL RIGHTS RESERVED 备案号:鲁ICP备17001007号-7