欢迎来到烟台市恒力数控机床附件有限公司官网!

产品详情

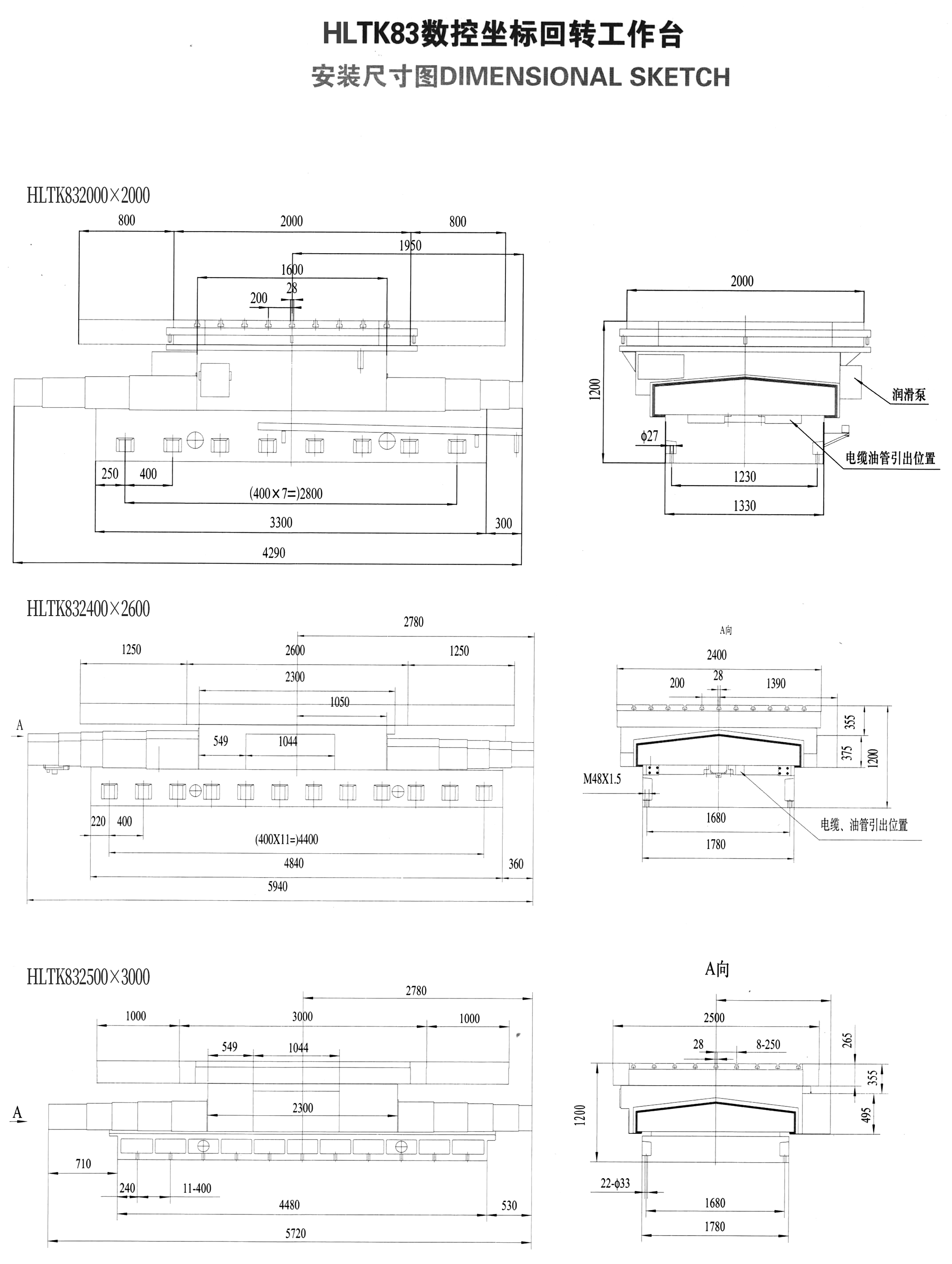
HLTK83系列数控坐标回转工作台

  • 详细介绍

HLTK83数控坐标回转工作台是具有独立传动系统的机床附属设备,由工作台、滑鞍、床身等主要部件构成,工作台既能回转,又能做直线运动。作为落地镗床、鏜铣床、端面铣床的附件使用,能完成大型工件不同角度面的铣削、磨削及镗孔等工作,扩大主机加工范围,缩短辅助时间。也可在系统控制下,进行插补运动,完成圆弧面、曲面的加工。

 

e2f32815c9123e49ef50a25b33cdae224ea88f08

e0a111c224777d1222258394ef85ac76f158fc03

本文网址 : https://www.ythlsk.com.cn/product/319.html
标签 :

COPYRIGHT © 烟台市恒力数控机床附件有限公司 ALL RIGHTS RESERVED 备案号:鲁ICP备17001007号-7