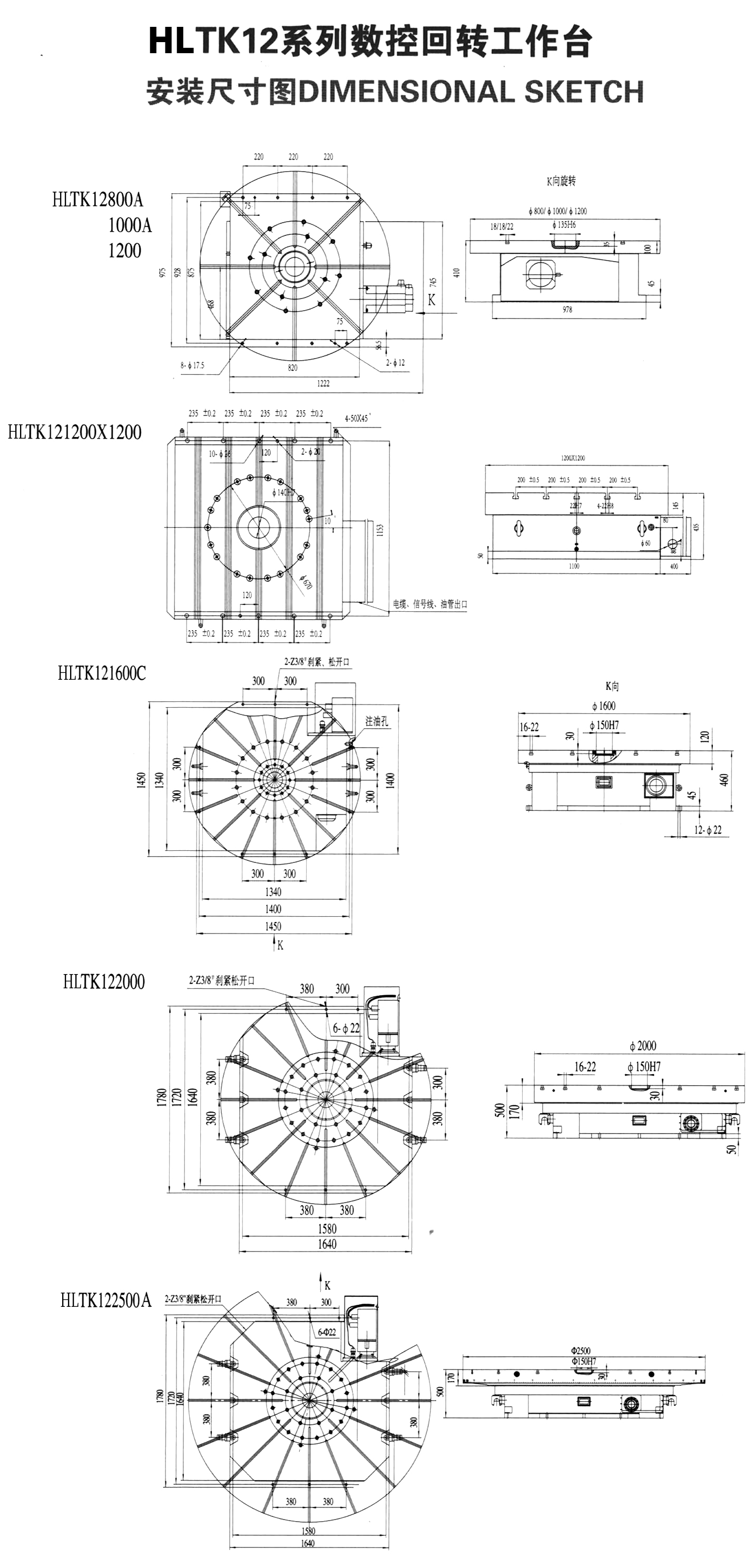
HLTK12系列数控回转工作台是各类数控镗铣床加工中心的关键配套附件,可以工作台水平方式安装于主机工作台上,用于主机的第四回转轴,或直接作为机床的工作台使用。转台在主机相关控制系统控制下,可实现等分和不等分的孔、槽或者连续特殊曲面加工,且保证很高的加工精度。可以根据用户要求提供矩形或者圆形工作台。(HLTK121600.HLTK122000、HLTK122500A转台装角度编码器后分精度达+2”。


COPYRIGHT © 烟台市恒力数控机床附件有限公司 ALL RIGHTS RESERVED 备案号:鲁ICP备17001007号-7