欢迎来到烟台市恒力数控机床附件有限公司官网!

产品详情

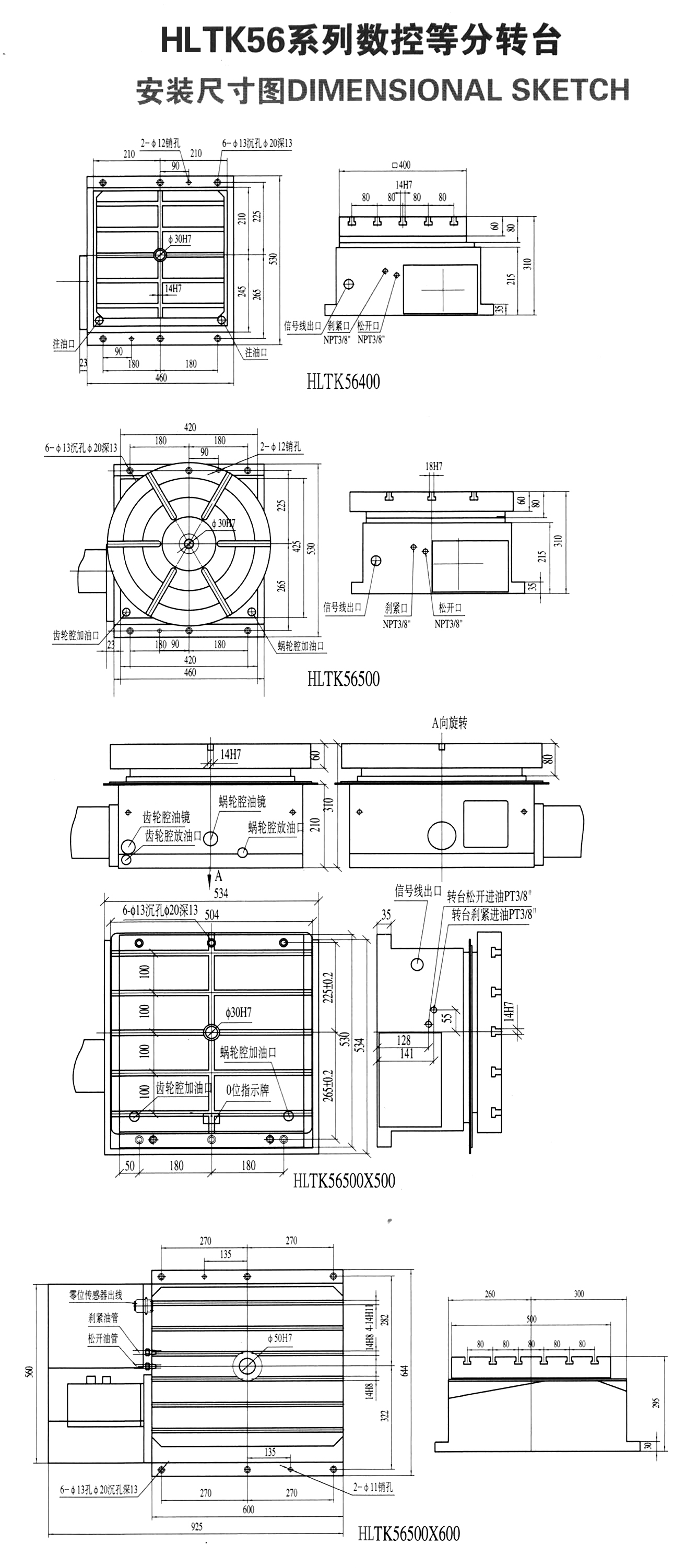
HLTK56系列数控等分回转工作台

  • 详细介绍

HLTK56系列数控等分转台用于数控銑、镗床及加工中心加工等分零件的加工,它采用伺服电机驱动,三联齿盘精确定位,具有精度高、载重大、精度保持性好等特点。(工作台可根据用户要求订做圆形或矩形)

 

ea6263594809c1d63fcb80d57912b6da2251abcd

91ff8ddd8ef10d49703fc11534b7f3c399fb2a33

本文网址 : https://www.ythlsk.com.cn/product/322.html
标签 :

COPYRIGHT © 烟台市恒力数控机床附件有限公司 ALL RIGHTS RESERVED 备案号:鲁ICP备17001007号-7