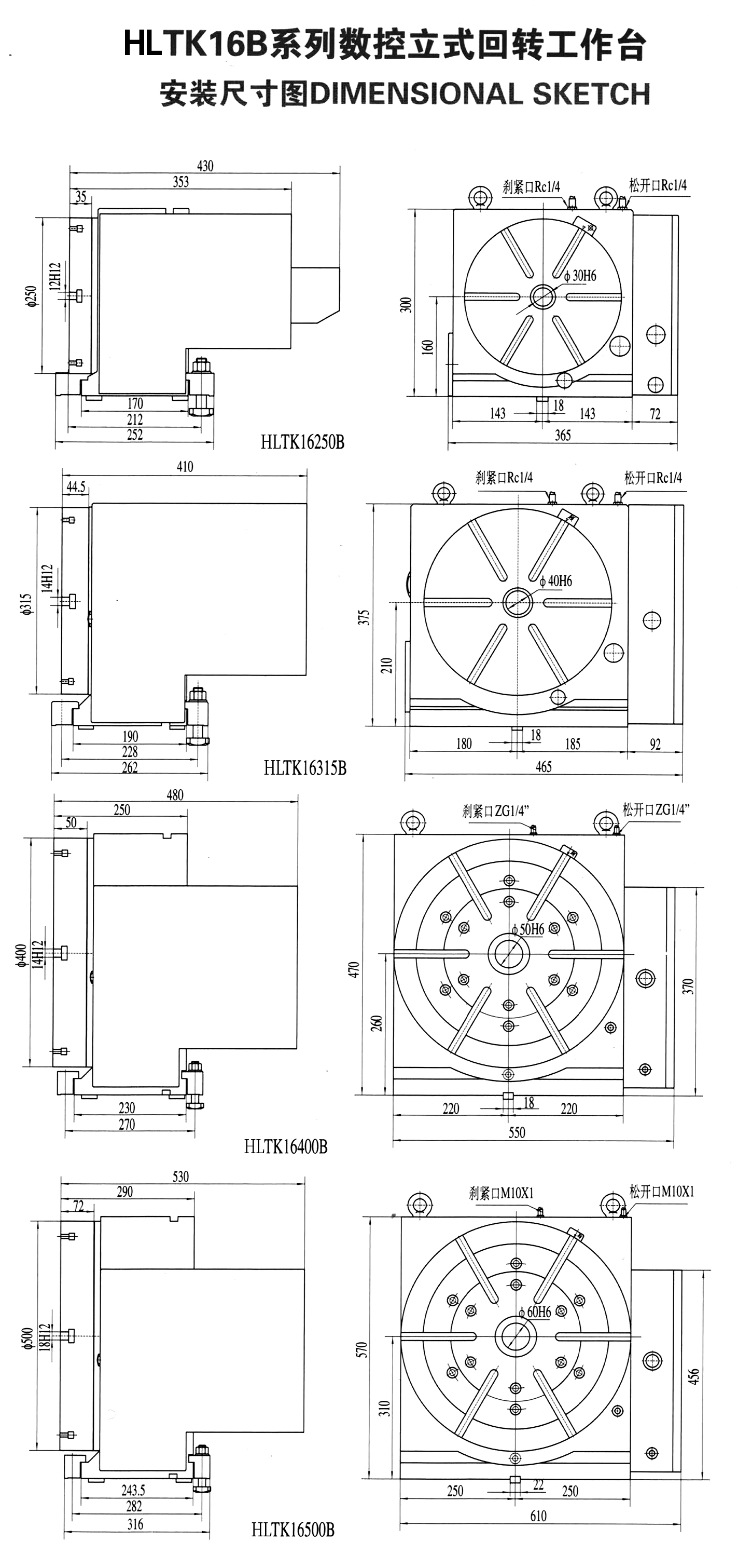
HLTK16B系列数控立式回转工作台是各类数控铣床和加工中心的理想配套附件,主轴以水平方式安装于主机工作台面上,用作主机的第四轴。在主机相关系统控制下,完成各种分度回转工作。工作台.上可安装板、盘或其他形状比较复杂的被加工零件,也可利用与之配套的尾座安装棒、轴类被加工零件,实现等分的和不等分的孔、槽或者连续的特殊曲面的加工,且保证很高的加工精度。另外也可和非数控机床配套,利用专门配置的控制系统(特殊定货)独立的完成等分和不等分的孔、槽以及连续的圆弧面的加工。


COPYRIGHT © 烟台市恒力数控机床附件有限公司 ALL RIGHTS RESERVED 备案号:鲁ICP备17001007号-7